








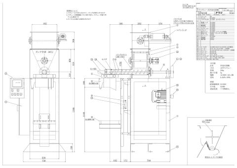
| 秤量 | 1,50,30kg |
| 袋形態 | オープン袋 |
| 計量精度 | 最良 10g/20kg |
| オプション | ●プリンタ ●チェッカー(充填機との連動印字可能) ●粉体供給用コンベア ●製品搬送用コンベア |






TEL 06-6437-5442
FAX 06-6437-1844
nak@awaji-pack.com
株式会社アワジ
〒661-0026
兵庫県
尼崎市水堂町4丁目2-19
![]()
![]()
![]()
![]()
![]()
![]()
【製品一覧】
スクリューコンベア
垂直搬送コンベア
袋クランプ
ピンチバルブ
扇形ゲート
フレコンバック充填機
フレコンバック連続充填機
外(内)弁袋用計量充填機
水平スクリュー計量充填機
縦型スクリュー計量充填機
縦型スクリュー脱気計量充填機
多種粉体配合機
脱気コンベア
全自動計量充填包装機
連続定量供給機
リボンミキサー
パソコンで制御
取扱実績粉
技術資料
【見積依頼書】
スクリューコンベア
袋クランプ
計量充填機
フレコンバック充填機
フレコンバック連続充填機
リボン羽根型混合機
制御盤